储能系统架构和控制
一、EMS与BMS和PCS协同机制
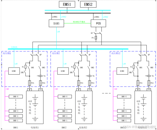
1.通信架构

储能3S之间通信架构如上图,线上标注的为主流通信方式。
2.协同机制
- 充放电控制
EMS根据电价峰谷、电网需求、BMS电池状态等制定充放电策略,向PCS下发充放电功率;BMS向PCS提供实时电池数据,上送最大允许充放电电流值;PCS根据EMS设定功率和电池的最大允许功率,两者取其小,动态调整进行充放电控制。
- 安全联锁
BMS-PCS之间的安全防护按照行业团标执行,具体描述如下:

- 经济调度
EMS基于策略(如峰谷价差),在电价峰值时段调度PCS放电,并通过BMS数据优化放电深度以提升收益。
二、常见储能系统架构
1.组串式储能系统
1.技术架构
- 定义
采用模块化设计,每个电池簇与独立的储能变流器(PCS)串联,多个变流器在交流母线侧并联接入电网。
- 核心特点
独立管理:每个电池簇单独控制充放电、热管理及故障隔离,避免环流问题。
灵活扩展:支持按需增减电池簇或变流器,适用于分期建设或动态扩容的场景。
2.优势
- 高可靠性:单簇故障不影响整体系统运行,维护时无需停机。
- 均温性好:精细化热管理延长电池寿命,提升系统稳定性。
- 兼容性高:适用于复杂地形及分散式能源布局(如工商业储能、零碳园区)。
3.局限性
- 成本较高:需配置更多变流器及监控设备,初期投资和运维复杂度增加。
- 效率挑战:多级电力转换可能引入损耗,需依赖高效变流器技术。
4.典型应用
工商业用户侧储能、台区储能、新能源电站配储等分布式场景。
2.集中式储能系统
1.技术架构
- 直流侧并联结构
电池模组(Pack)串联形成电池簇,多个电池簇在直流侧并联后接入单个或多个大功率储能变流器(PCS),再通过升压变压器并入电网。
2.核心优势
- 成本效益
通过大规模采购降低电池及PCS成本,适合电网侧及风光大基地等集中式场景;集中运维减少人工成本,设备利用率高。
- 高效调度能力
集中控制逻辑简化,便于实现电网级功率快速响应与调频调峰;单机大容量(如1725kW级PCS)提升能量转换效率。
- 部署便捷性
集装箱式结构集成度高,缩短现场安装周期。
3.技术局限性
- 环流与木桶效应
电池簇间内阻差异导致直流环流,降低系统效率并加速电池老化;系统整体寿命受性能最差的电池簇限制(木桶效应)。
- 运维复杂度高
故障定位困难,停机检修影响范围大,需专业团队支持;电池簇一致性维护依赖高精度BMS,长期运行成本增加。
三、储能系统控制逻辑(珠海派诺方案)
1.组串式控制逻辑
- 上高压流程:绝缘检测→闭合主负→预充→主正→断开预充;全过程实时检测主正、主负、预充、断路器的控制状态与反馈信号,有无1级严重故障等,有异常情况终止上高压流程并开始下高压。
- 下高压流程:1级严重故障触发→PCS停机→电流检测→分断接触器或断路器;与PCS的安全防护按照团标三级控制执行,并在三级分断时考虑当前电流大小,若带载切断,优先使用断路器,保护接触器。
技术要点:
① 当PCS在对电池簇进行充电时,若BMS软件出现问题(如看门狗复位、软件复位等),高压链路将带载断开,功率无法泄放,可能导致异常故障,严重甚至导致PCS炸机。珠海派诺BMS创新采用高压独立锁存控制电路,能有效保持高压回路接触器状态,确保电池系统安全稳定运行。
②当电池长时间搁置且SOC过低时,BMS会主动断开断路器及接触器,避免电池出现严重馈电甚至不可逆损伤,保证下次运行能够正常使用。
③BMS可系统配置切换不同的上高压模式,并可配置接触器、断路器的状态,兼容性高。
④BMS可远程控制接触器及断路器,便于维护。
2.集中式控制逻辑
- 一键并簇:手动或自动下发 → 判断内外压差 → 上高压或均压或补电 → 完成上高压;
- 一键退簇:手动或自动下发 → 判断电流 → 多簇依次完成下高压;
技术要点:
珠海派诺BMS针对备电和非备电的应用场景,有整套完备解决方案:
①备电场景:当一台电池簇出现一级严重故障,该电池簇会执行自行退簇,其他电池簇继续供电保持运行。
②非备电场景:当一台电池簇出现一级严重故障,等待总控单元(EMS)对所有电池簇下发退簇指令,所有电池簇退簇,停止运行。
③集中式包含多簇电池系统,BMS可根据环流大小触发对应故障,进行分级故障处理,有效避免环流问题。
④BMS可实现远程控制一键并簇、一键退簇、均压、补电等控制,维护便利。
四、珠海派诺产品
1.产品总概

2.产品介绍
-
BMU-M001:是一款电池管理系统从控模块,是电池包的采集和管理核心,支持单体电池电压和单体温度采集,并对电池包进行单包故障诊断、单体均衡控制管理,同时具备自动地址编码和热管理能力,并可通过CAN通信与主控单元(BCU)进行通讯。


- BCU-C001:是一款电池管理系统主控模块,主要实现电池簇的总压/电流/温度采集、电池信息处理、高压安全管理、绝缘检测、SOX算法估算、故障诊断、数据统计、数据存储、程序升级等功能,并通过以太网/CAN/RS-485等通信接口,实现与总控单元、从控模块以及储能变流器之间的通讯功能。


- ECU-A001:是一款BMS三级架构与本地EMS功能融合的一款产品,除了可以实现BMS三级架构的堆级数据状态监测、数据展示与存储、参数设置、历史故障查询,事件存储等功能外,还能实现防逆流、需量管理、峰谷套利、光储联动、多机并联等丰富策略。



